
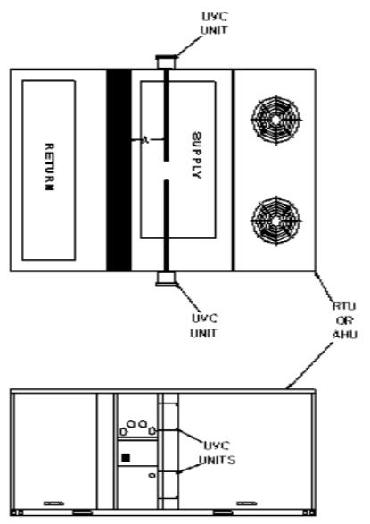
UVMatrixTM SI systems employ a patent pending innovative system that makes them easily adapted to variations in HVAC physical installation characteristics – with no compromise in UV irradiation. When unusual dimensions are encountered UVMatrixTM SI racks simply adjust to the custom width of the system.
UVC damages DNA/RNA of microorganism ( Virus, bacteria, fungi) Microorganisms inactivated, i.e., become unable to replicate
S = Survival Rate
k = Deactivation rate constant (cm²/µW-s) - UVGI Rate Constant
I = Average Intensity Field (µW/cm²)
t = Time of exposure (s)
Lt = D = “dose”( µJ/cm²)
The Systems employ an innovative system that makes them easily adapted to variations in HVAC physical installation characteristics – with no compromise in UV irradiation. When unusual dimensions are encountered the racks simply adjust to the custom width of the system.
Ultraviolet (UV) light is a type of electromagnetic radiation with a wavelength shorter than that of visible light, making it invisible to the human eye. UV light exists naturally in sunlight and is responsible for causing sunburn and tanning in the skin. It can be further categorized into three main types based on their wavelengths:
Wavelength Range: 100-400 nm
This specification provides a brief overview of the UV light's wavelength range, which covers the UVA, UVB, and UVC spectra, allowing for application-specific details to be addressed in more comprehensive documentation.